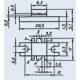
KТ9175В 2Т9175В
Кремниевый n-p-n низковольтный СВЧ транзистор.
KТ9175В 2Т9175В предназначен для работы в усилителях мощности в диапазоне частот 140-512 МГц. Герметизирован в металлокерамическом корпусе КТ-83.
Описание взято с сайта http://www.eandc.ru





